
.jpg)
單出軸超薄磁粉制動器概述
ZX型單出軸止口支撐超薄磁粉制動器廣泛應用于包裝、印刷、造紙、紡織、印染、橡膠、電線、電纜、冶金以及其他有關卷取加工行業中的放卷及收卷張力控制。
此外ZX型單出軸磁粉制動器還可用于調速、過載保護及緩沖啟動等。磁粉制動器則經常被用于傳動機械的測功加載及制動等。
單出軸超薄磁粉制動器技術參數
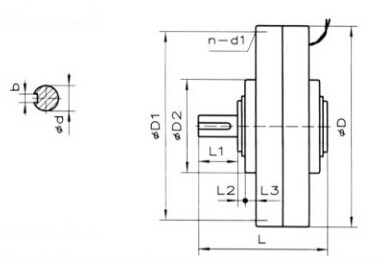
規格型號 | 額定 轉矩 N·m | 滑差 功率 W | Zui大 電流 A | Zui高 轉速 rpm | 外形尺寸 | 軸連接尺寸 | 止口支撐尺寸 | 冷卻方式 | |||||||
D | L | d (h7) | b | L1 | L2 | L3 | D1 | D2 (g7) | n—d1×深度 | ||||||
ZX-0.3YS | 3 | 30 | 0.46 | 1500 | 88 | 72 | 10 | 3 | 22 | 7.5 | 6.5 | 80 | 47 | 3—M4×8 | 自然冷 |
ZX-0.6YS | 6 | 60 | 0.53 | 1500 | 105 | 83 | 12 | 4 | 26 | 7.5 | 6.5 | 97 | 55 | 3—M4×8 | 自然冷 |
ZX-1.2YS | 12 | 90 | 0.81 | 1500 | 118 | 91 | 15 | 5 | 29 | 9 | 6 | 110 | 62 | 3—M4×8 | 自然冷 |
ZX-2.5YS | 25 | 120 | 0.94 | 1500 | 139 | 106 | 20 | 6 | 36 | 13 | 5 | 129 | 62 | 4—M5×10 | 自然冷 |
ZX-5YS | 50 | 160 | 1.24 | 1500 | 182 | 132 | 25 | 8 | 43 | 14 | 9 | 169 | 80 | 4—M6×10 | 自然冷 |
ZX-10YS | 100 | 270 | 2.15 | 1500 | 232 | 156 | 30 | 8 | 55 | 16 | 10 | 216 | 100 | 4—M8×13 | 自然冷 |







.jpg)
蘇公網安備 32062102000172號